
Nuestra lente de campo claro y campo oscuro LMPLFLN-BD es parte de nuestra serie de lentes de objetivo de plan semiapocromático (Plan SemiApochromat).Esta proporciona distancias de trabajo más largas para asegurar una mejor protección y observación de la muestra con mayor contraste. | ![]() |
| Magnificación [X] | 5 |
|---|---|
| Apertura numérica (A. N.) | 0,13 |
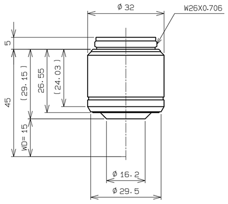
| Distancia de trabajo (D. T.) [mm] | 15 |
| Número de campo de objetivo | 26,5 |
| Medio de inmersión | Aéreo/Seco |
| Mecanismo protector | N/A |
| Collar de corrección | N/A |
| Rango de corrección del collar de corrección | N/A |
| Iris | N/A |
| Nivel de corrección de aberración cromática |
Semiapocromático
(fluorescencia [FL]) |
| Distancia de parfocalización [mm] | 45 |
| Posición de plano focal posterior (BFP) | -3.0 |
| Tipo de rosca | W26X0.706 |
| Campo claro (reflejado) | Bueno |
| Campo claro (transmitido) | Bueno |
| Campo oscuro (reflejado) | Bueno |
| Campo oscuro (transmitido) | N/A |
| Contraste de interferencia diferencial (DIC) [reflejado] | Bueno |
| Contraste de interferencia diferencial (DIC) [transmitido] | N/A |
| Contraste de fase | N/A |
| Contraste de relieve | N/A |
| Luz polarizada | Limitación |
| Fluorescencia (excitación B, G) | N/A |
| Fluorescencia UV (a 365 nm) | N/A |
| Multifotón | N/A |
| TIRF | N/A |
| IR | N/A |
| Interferometría de luz blanca (WLI) | N/A |
| Enfoque automático | N/A |


| Magnificación [X] | 10 |
|---|---|
| Apertura numérica (A. N.) | 0,25 |
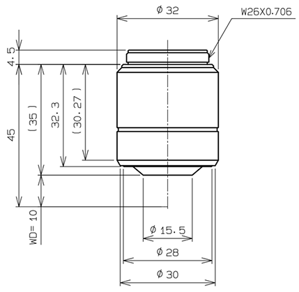
| Distancia de trabajo (D. T.) [mm] | 10 |
| Número de campo de objetivo | 26,5 |
| Medio de inmersión | Aéreo/Seco |
| Mecanismo protector | N/A |
| Collar de corrección | N/A |
| Rango de corrección del collar de corrección | N/A |
| Iris | N/A |
| Nivel de corrección de aberración cromática |
Semiapocromático
|
| Distancia de parfocalización [mm] | 45 |
| Posición de plano focal posterior (BFP) | -3.0 |
| Tipo de rosca | W26X0.706 |
| Campo claro (reflejado) | Bueno |
| Campo claro (transmitido) | Bueno |
| Campo oscuro (reflejado) | Bueno |
| Campo oscuro (transmitido) | N/A |
| Contraste de interferencia diferencial (DIC) [reflejado] | Bueno |
| Contraste de interferencia diferencial (DIC) [transmitido] | N/A |
| Contraste de fase | N/A |
| Contraste de relieve | N/A |
| Luz polarizada | Limitación |
| Fluorescencia (excitación B, G) | N/A |
| Fluorescencia UV (a 365 nm) | N/A |
| Multifotón | N/A |
| TIRF | N/A |
| IR | N/A |
| Interferometría de luz blanca (WLI) | N/A |
| Enfoque automático | N/A |


| Magnificación [X] | 20 |
|---|---|
| Apertura numérica (A. N.) | 0,4 |
| Distancia de trabajo (D. T.) [mm] | 12 |
| Número de campo de objetivo | 26,5 |
| Medio de inmersión | Aéreo/Seco |
| Mecanismo protector | N/A |
| Collar de corrección | N/A |
| Rango de corrección del collar de corrección | N/A |
| Iris | N/A |
| Nivel de corrección de aberración cromática |
Semiapocromático
|
| Distancia de parfocalización [mm] | 45 |
| Posición de plano focal posterior (BFP) | -3.0 |
| Tipo de rosca | W26X0.706 |
| Campo claro (reflejado) | Bueno |
| Campo claro (transmitido) | Bueno |
| Campo oscuro (reflejado) | Bueno |
| Campo oscuro (transmitido) | N/A |
| Contraste de interferencia diferencial (DIC) [reflejado] | Bueno |
| Contraste de interferencia diferencial (DIC) [transmitido] | N/A |
| Contraste de fase | N/A |
| Contraste de relieve | N/A |
| Luz polarizada | Limitación |
| Fluorescencia (excitación B, G) | N/A |
| Fluorescencia UV (a 365 nm) | N/A |
| Multifotón | N/A |
| TIRF | N/A |
| IR | N/A |
| Interferometría de luz blanca (WLI) | N/A |
| Enfoque automático | N/A |


| Magnificación [X] | 50 |
|---|---|
| Apertura numérica (A. N.) | 0,5 |
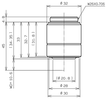
| Distancia de trabajo (D. T.) [mm] | 10,6 |
| Número de campo de objetivo | 26,5 |
| Medio de inmersión | Aéreo/Seco |
| Mecanismo protector | N/A |
| Collar de corrección | N/A |
| Rango de corrección del collar de corrección | N/A |
| Iris | N/A |
| Nivel de corrección de aberración cromática |
Semiapocromático
(fluorescencia [FL]) |
| Distancia de parfocalización [mm] | 45 |
| Posición de plano focal posterior (BFP) | -3.0 |
| Tipo de rosca | W26X0.706 |
| Campo claro (reflejado) | Bueno |
| Campo claro (transmitido) | Bueno |
| Campo oscuro (reflejado) | Bueno |
| Campo oscuro (transmitido) | N/A |
| Contraste de interferencia diferencial (DIC) [reflejado] | Bueno |
| Contraste de interferencia diferencial (DIC) [transmitido] | N/A |
| Contraste de fase | N/A |
| Contraste de relieve | N/A |
| Luz polarizada | Limitación |
| Fluorescencia (excitación B, G) | N/A |
| Fluorescencia UV (a 365 nm) | N/A |
| Multifotón | N/A |
| TIRF | N/A |
| IR | N/A |
| Interferometría de luz blanca (WLI) | N/A |
| Enfoque automático | N/A |


| Magnificación [X] | 100 |
|---|---|
| Apertura numérica (A. N.) | 0,8 |
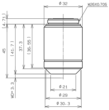
| Distancia de trabajo (D. T.) [mm] | 3,3 |
| Número de campo de objetivo | 26,5 |
| Medio de inmersión | Aéreo/Seco |
| Mecanismo protector | N/A |
| Collar de corrección | N/A |
| Rango de corrección del collar de corrección | N/A |
| Iris | N/A |
| Nivel de corrección de aberración cromática |
Semiapocromático
|
| Distancia de parfocalización [mm] | 45 |
| Posición de plano focal posterior (BFP) | -3.0 |
| Tipo de rosca | W26X0.706 |
| Campo claro (reflejado) | Bueno |
| Campo claro (transmitido) | Bueno |
| Campo oscuro (reflejado) | Bueno |
| Campo oscuro (transmitido) | N/A |
| Contraste de interferencia diferencial (DIC) [reflejado] | Bueno |
| Contraste de interferencia diferencial (DIC) [transmitido] | N/A |
| Contraste de fase | N/A |
| Contraste de relieve | N/A |
| Luz polarizada | Limitación |
| Fluorescencia (excitación B, G) | N/A |
| Fluorescencia UV (a 365 nm) | N/A |
| Multifotón | N/A |
| TIRF | N/A |
| IR | N/A |
| Interferometría de luz blanca (WLI) | N/A |
| Enfoque automático | N/A |


您即将被转换到我们的本地网站。