
奥林巴斯MPLAPON平场复消色差系列物镜,拥有奥林巴斯很高水准的色差校正和高分辨率,确保了高水准的波相差校正功能。可对应微分干涉及简易偏光观察。 平场复消色差透镜MPLAPON
| ![]() |
| ※1弥散比例: | 在理想的无像差光学系统的结像平面上的聚光比例(中心强度)作为100%时,与其相对,用%比表示的在实际光学系统中的聚光比例。数值越高,表示光学系统的质量越好。 |
| ※2保证值的定义: | 在本公司指定的条件下,用奥林巴斯制造的透射波面测量干涉仪器评定的测量值(测量环境:温度23℃±1℃;评定条件:在瞳孔直径的97%的范围内测量)。 |
| Magnification [X] | 50 |
|---|---|
| Numerical aperture (NA) | 0.95 |
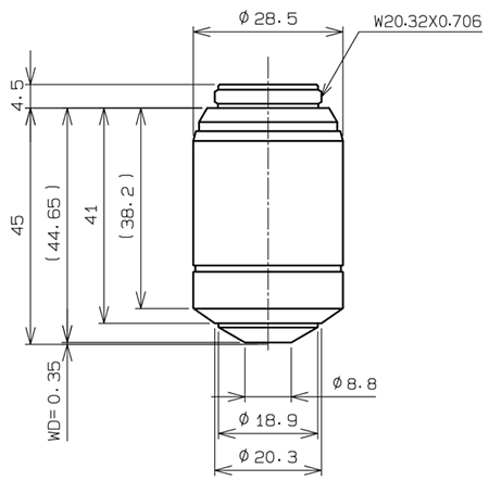
| Working distance (WD) [mm] | 0.35 |
| Objective Field Number | 26.5 |
| Immersion medium | Air/Dry |
| Spring loaded | Yes |
| Correction collar | N/A |
| Correction range of correction collar | N/A |
| Iris | N/A |
| Correction level of chromatic aberration | Apochromat(APO) |
| Parfocalizing distance [mm] | 45 |
| Back focal plane (BFP) position | -8.0 |
| Type of screw thread | W20.32X0.706(RMS) |
| Brightfield(Reflected) | Excellent |
| Brightfield(Transmitted) | Excellent |
| Darkfield(Reflected) | N/A |
| Darkfield(Transmitted) | N/A |
| DIC(Reflected) | Good |
| DIC(Transmitted) | N/A |
| Phase Contrast | N/A |
| Relief Contrast | N/A |
| Polarized Light | Limitation |
| Fluorescence (B, G Excitation) | N/A |
| UV Fluorescence (at 365nm) | N/A |
| Multiphoton | N/A |
| TIRF | N/A |
| IR | N/A |
| WLI | N/A |
| Auto Focus | Good |


| Magnification [X] | 100 |
|---|---|
| Numerical aperture (NA) | 0.95 |
| Working distance (WD) [mm] | 0.35 |
| Objective Field Number | 26.5 |
| Immersion medium | Air/Dry |
| Spring loaded | Yes |
| Correction collar | N/A |
| Correction range of correction collar | N/A |
| Iris | N/A |
| Correction level of chromatic aberration | Apochromat(APO) |
| Parfocalizing distance [mm] | 45 |
| Back focal plane (BFP) position | -8.0 |
| Type of screw thread | W20.32X0.706(RMS) |
| Brightfield(Reflected) | Excellent |
| Brightfield(Transmitted) | Excellent |
| Darkfield(Reflected) | N/A |
| Darkfield(Transmitted) | N/A |
| DIC(Reflected) | Good |
| DIC(Transmitted) | N/A |
| Phase Contrast | N/A |
| Relief Contrast | N/A |
| Polarized Light | Limitation |
| Fluorescence (B, G Excitation) | N/A |
| UV Fluorescence (at 365nm) | N/A |
| Multiphoton | N/A |
| TIRF | N/A |
| IR | N/A |
| WLI | N/A |
| Auto Focus | Good |


您即将被转换到我们的本地网站。