
MPLN物镜在22视野数以内实现良好平场消色差明视野观察物镜。可提供5X-100X的性价比较好的物镜。 | ![]() |
| Magnification [X] | 5 |
|---|---|
| Numerical aperture (NA) | 0.1 |
| Working distance (WD) [mm] | 20 |
| Objective Field Number | 22 |
| Immersion medium | Air/Dry |
| Spring loaded | N/A |
| Correction collar | N/A |
| Correction range of correction collar | N/A |
| Iris | N/A |
| Correction level of chromatic aberration | Achromat (ACH) |
| Parfocalizing distance [mm] | 45 |
| Back focal plane (BFP) position | - |
| Type of screw thread | W20.32X0.706(RMS) |
| Brightfield(Reflected) | Good |
| Brightfield(Transmitted) | Good |
| Darkfield(Reflected) | N/A |
| Darkfield(Transmitted) | N/A |
| DIC(Reflected) | N/A |
| DIC(Transmitted) | N/A |
| Phase Contrast | N/A |
| Relief Contrast | N/A |
| Polarized Light | N/A |
| Fluorescence (B, G Excitation) | N/A |
| UV Fluorescence (at 365nm) | N/A |
| Multiphoton | N/A |
| TIRF | N/A |
| IR | N/A |
| WLI | N/A |
| Auto Focus | N/A |


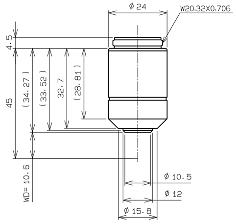
| Magnification [X] | 10 |
|---|---|
| Numerical aperture (NA) | 0.25 |
| Working distance (WD) [mm] | 10.6 |
| Objective Field Number | 22 |
| Immersion medium | Air/Dry |
| Spring loaded | N/A |
| Correction collar | N/A |
| Correction range of correction collar | N/A |
| Iris | N/A |
| Correction level of chromatic aberration | Achromat (ACH) |
| Parfocalizing distance [mm] | 45 |
| Back focal plane (BFP) position | - |
| Type of screw thread | W20.32X0.706(RMS) |
| Brightfield(Reflected) | Good |
| Brightfield(Transmitted) | Good |
| Darkfield(Reflected) | N/A |
| Darkfield(Transmitted) | N/A |
| DIC(Reflected) | N/A |
| DIC(Transmitted) | N/A |
| Phase Contrast | N/A |
| Relief Contrast | N/A |
| Polarized Light | N/A |
| Fluorescence (B, G Excitation) | N/A |
| UV Fluorescence (at 365nm) | N/A |
| Multiphoton | N/A |
| TIRF | N/A |
| IR | N/A |
| WLI | N/A |
| Auto Focus | N/A |


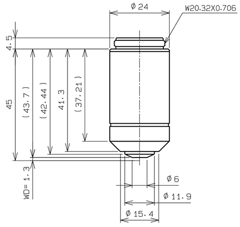
| Magnification [X] | 20 |
|---|---|
| Numerical aperture (NA) | 0.4 |
| Working distance (WD) [mm] | 1.3 |
| Objective Field Number | 22 |
| Immersion medium | Air/Dry |
| Spring loaded | Yes |
| Correction collar | N/A |
| Correction range of correction collar | N/A |
| Iris | N/A |
| Correction level of chromatic aberration | Achromat (ACH) |
| Parfocalizing distance [mm] | 45 |
| Back focal plane (BFP) position | - |
| Type of screw thread | W20.32X0.706(RMS) |
| Brightfield(Reflected) | Good |
| Brightfield(Transmitted) | Good |
| Darkfield(Reflected) | N/A |
| Darkfield(Transmitted) | N/A |
| DIC(Reflected) | N/A |
| DIC(Transmitted) | N/A |
| Phase Contrast | N/A |
| Relief Contrast | N/A |
| Polarized Light | N/A |
| Fluorescence (B, G Excitation) | N/A |
| UV Fluorescence (at 365nm) | N/A |
| Multiphoton | N/A |
| TIRF | N/A |
| IR | N/A |
| WLI | N/A |
| Auto Focus | N/A |


| Magnification [X] | 50 |
|---|---|
| Numerical aperture (NA) | 0.75 |
| Working distance (WD) [mm] | 0.38 |
| Objective Field Number | 22 |
| Immersion medium | Air/Dry |
| Spring loaded | Yes |
| Correction collar | N/A |
| Correction range of correction collar | N/A |
| Iris | N/A |
| Correction level of chromatic aberration | Achromat (ACH) |
| Parfocalizing distance [mm] | 45 |
| Back focal plane (BFP) position | - |
| Type of screw thread | W20.32X0.706(RMS) |
| Brightfield(Reflected) | Good |
| Brightfield(Transmitted) | Good |
| Darkfield(Reflected) | N/A |
| Darkfield(Transmitted) | N/A |
| DIC(Reflected) | N/A |
| DIC(Transmitted) | N/A |
| Phase Contrast | N/A |
| Relief Contrast | N/A |
| Polarized Light | N/A |
| Fluorescence (B, G Excitation) | N/A |
| UV Fluorescence (at 365nm) | N/A |
| Multiphoton | N/A |
| TIRF | N/A |
| IR | N/A |
| WLI | N/A |
| Auto Focus | N/A |


| Magnification [X] | 100 |
|---|---|
| Numerical aperture (NA) | 0.9 |
| Working distance (WD) [mm] | 0.21 |
| Objective Field Number | 22 |
| Immersion medium | Air/Dry |
| Spring loaded | Yes |
| Correction collar | N/A |
| Correction range of correction collar | N/A |
| Iris | N/A |
| Correction level of chromatic aberration | Achromat (ACH) |
| Parfocalizing distance [mm] | 45 |
| Back focal plane (BFP) position | - |
| Type of screw thread | W20.32X0.706(RMS) |
| Brightfield(Reflected) | Good |
| Brightfield(Transmitted) | Good |
| Darkfield(Reflected) | N/A |
| Darkfield(Transmitted) | N/A |
| DIC(Reflected) | N/A |
| DIC(Transmitted) | N/A |
| Phase Contrast | N/A |
| Relief Contrast | N/A |
| Polarized Light | N/A |
| Fluorescence (B, G Excitation) | N/A |
| UV Fluorescence (at 365nm) | N/A |
| Multiphoton | N/A |
| TIRF | N/A |
| IR | N/A |
| WLI | N/A |
| Auto Focus | N/A |


您即将被转换到我们的本地网站。