Evident LogoEvident Logo
Evident Resources
Application Notes
Back to Resources

Quantitative Analysis Of Pashmina Wool Using An Industrial Microscope


Quantitative Analysis Of Pashmina Wool Using An Industrial Microscope

Pashmina, a fine type of cashmere wool, comes from the hair of cashmere goats and is one tenth the size of human hair. Inspectors must analyze this luxury fiber during manufacturing to ensure product quality.

However, it can be difficult to analyze the composition of Pashmina wool and other animal fiber blends. Many wool fibers share similar surface characteristics, such as diameter and scale density, making it challenging to distinguish between them.

Here, we will discuss two common methods for quantitative analysis of Pashmina: optical microscopes and scanning electron microscopes.

Method One: Using an Optical Microscope

The optical microscope method requires inspectors to identify magnified Pashmina fibers by observing scale structure and other surface characteristics. Inspectors can learn more about these identifying features in textile analysis standards, such as AATCC-20A and ASTM-D629.

However, observing these characteristics using an optical microscope can be difficult. Many optical microscopes provide a limited resolution of about 0.35 microns and a small depth of field (around 1 to 2 microns), so some fiber characteristics will remain out of focus during imaging. Transmitted light from the microscope can also cause interference with scale shadows on both sides of the fiber.

pashmina wool fiber measurementspashmina wool fiber viewed through an optical microscope

Method Two: Using a Scanning Electron Microscope

pashmina wool fiber viewed with a scanning electron microscope

A scanning electron microscope (SEM) uses electrons to image fiber surface characteristics. The fiber is typically coated with a thin layer of gold to display the scanned surface, a step that increases the cost and time spent for each sample analysis.

While SEM solutions offer a higher resolution and larger depth of field to capture fiber surface characteristics, these microscopes are expensive and complex to operate. Additionally, the SEM technique cannot capture internal fiber structure and pigmentation, unlike optical microscopes.

A Solution that Overcomes the Challenges of Optical and SEM Microscopes

Olympus provides an intuitive imaging workflow that overcomes the common challenges presented by traditional optical microscope and SEM techniques. For this workflow, we used the Olympus BX53M industrial microscope and applied the differential interference contrast (DIC) observation method.

We used the BX53M microscope with reflected light to observe the Pashmina fiber scales. To avoid excessive reflection, we placed the Pashmina wool fibers on the slide using water adhesion. For this step, we rubbed a little water or steam on the slide so that it contains micro droplets of water. Then we placed the wool fiber on the slide and dragged the fiber for about 0.1 cm to straighten it. Finally, we let it dry for about a minute.

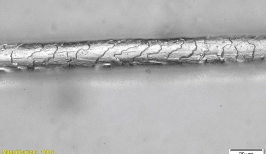
It is important to optimize the field stop (FS) and aperture stop (AS) settings to view the Pashmina wool fiber in DIC observation. We placed the AS at the minimum and adjusted FS to control excess reflection. Using the Extended Focus Imaging (EFI) function combined with an Olympus apochromatic objective, we captured the fiber fully in focus, including the fine borders across the wool’s cylindrical surface. These precise images were acquired in less than 10 minutes without any microscope warmup time.

Pashmina fiber captured using the BX53M microscopescales on the wool fiber are clearly visible

Pashmina fiber captured using the BX53M microscope. You can clearly see the scales on the wool fiber.
Information courtesy of IRTech Pvt. Ltd. India (Olympus industrial microscope distributor in India)

Olympus IMS

Products Used for This Application
Designed with modularity in mind, the BX3M series provide versatility for a wide variety of materials science and industrial applications.
Sorry, this page is not available in your country
Let us know what you're looking for by filling out the form below.

Download the PDF version

Olympus BX53M Industrial Microscope

Benefits of BX53M Industrial Microscopes

The modular BX3M series provides versatility for a wide variety of materials science and industrial applications. Combined with OLYMPUS Stream™ software, the microscope offers a seamless workflow for standard microscopy and digital imaging from observation to report creation.

Leading-edge optics

Leading-edge optics

Various observation methods

Various observation methods

Intuitive controls

Intuitive controls

OLYMPUS Stream software integration

OLYMPUS Stream software integration

Sorry, this page is not available in your country