
The MPLFLN objective lens has well balanced performance with a semi apochromat color correction, a fair working distance and a high numerical aperture and is suitable for the widest range of applications. | ![]() |
*1: 1.25x and 2.5x lenses require the use an analyzer and polarizer.
| Magnification [X] | 1.25 |
|---|---|
| Numerical aperture (NA) | 0.04 |
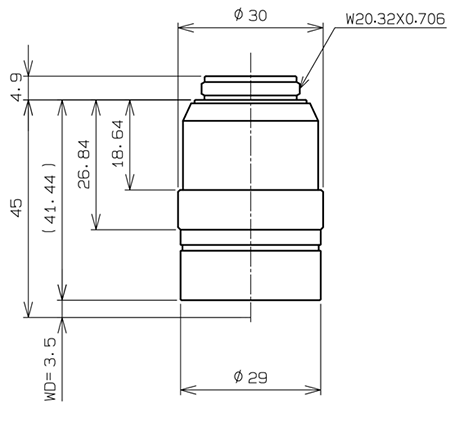
| Working distance (WD) [mm] | 3.5 |
| Objective Field Number | 22 |
| Immersion medium | Air/Dry |
| Spring loaded | N/A |
| Correction collar | N/A |
| Correction range of correction collar | N/A |
| Iris | N/A |
| Correction level of chromatic aberration |
Semi-apochromat
(FL) |
| Parfocalizing distance [mm] | 45 |
| Back focal plane (BFP) position | - |
| Type of screw thread | W20.32X0.706(RMS) |
| Brightfield(Reflected) | Good |
| Brightfield(Transmitted) | Good |
| Darkfield(Reflected) | N/A |
| Darkfield(Transmitted) | N/A |
| DIC(Reflected) | N/A |
| DIC(Transmitted) | N/A |
| Phase Contrast | N/A |
| Relief Contrast | N/A |
| Polarized Light | N/A |
| Fluorescence (B, G Excitation) | N/A |
| UV Fluorescence (at 365nm) | N/A |
| Multiphoton | N/A |
| TIRF | N/A |
| IR | N/A |
| WLI | N/A |
| Auto Focus | N/A |


| Magnification [X] | 2.5 |
|---|---|
| Numerical aperture (NA) | 0.08 |
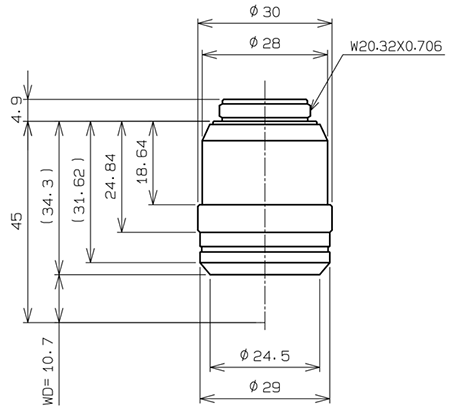
| Working distance (WD) [mm] | 10.7 |
| Objective Field Number | 26.5 |
| Immersion medium | Air/Dry |
| Spring loaded | N/A |
| Correction collar | N/A |
| Correction range of correction collar | N/A |
| Iris | N/A |
| Correction level of chromatic aberration |
Semi-apochromat
|
| Parfocalizing distance [mm] | 45 |
| Back focal plane (BFP) position | 17.1 |
| Type of screw thread | W20.32 × 0.706 (RMS) |
| Brightfield (Reflected) | Good |
| Brightfield (Transmitted) | Good |
| Darkfield (Reflected) | N/A |
| Darkfield (Transmitted) | N/A |
| DIC (Reflected) | N/A |
| DIC (Transmitted) | N/A |
| Phase Contrast | N/A |
| Relief Contrast | N/A |
| Polarized Light | N/A |
| Fluorescence (B, G Excitation) | N/A |
| UV Fluorescence (at 365 nm) | N/A |
| Multiphoton | N/A |
| TIRF | N/A |
| IR | N/A |
| WLI | N/A |
| Auto Focus | N/A |


| Magnification [X] | 5 |
|---|---|
| Numerical aperture (NA) | 0.15 |
| Working distance (WD) [mm] | 20 |
| Objective Field Number | 26.5 |
| Immersion medium | Air/Dry |
| Spring loaded | N/A |
| Correction collar | N/A |
| Correction range of correction collar | N/A |
| Iris | N/A |
| Correction level of chromatic aberration |
Semi-apochromat
|
| Parfocalizing distance [mm] | 45 |
| Back focal plane (BFP) position | -8.0 |
| Type of screw thread | W20.32 × 0.706 (RMS) |
| Brightfield (Reflected) | Good |
| Brightfield (Transmitted) | Good |
| Darkfield (Reflected) | N/A |
| Darkfield (Transmitted) | N/A |
| DIC (Reflected) | Good |
| DIC (Transmitted) | N/A |
| Phase Contrast | N/A |
| Relief Contrast | N/A |
| Polarized Light | Limitation |
| Fluorescence (B, G Excitation) | Good |
| UV Fluorescence (at 365 nm) | Good |
| Multiphoton | N/A |
| TIRF | N/A |
| IR | N/A |
| WLI | N/A |
| Auto Focus | Good |


| Magnification [X] | 10 |
|---|---|
| Numerical aperture (NA) | 0.3 |
| Working distance (WD) [mm] | 11 |
| Objective Field Number | 26.5 |
| Immersion medium | Air/Dry |
| Spring loaded | N/A |
| Correction collar | N/A |
| Correction range of correction collar | N/A |
| Iris | N/A |
| Correction level of chromatic aberration |
Semi-apochromat
(FL) |
| Parfocalizing distance [mm] | 45 |
| Back focal plane (BFP) position | -8.0 |
| Type of screw thread | W20.32X0.706(RMS) |
| Brightfield(Reflected) | Good |
| Brightfield(Transmitted) | Good |
| Darkfield(Reflected) | N/A |
| Darkfield(Transmitted) | N/A |
| DIC(Reflected) | Good |
| DIC(Transmitted) | N/A |
| Phase Contrast | N/A |
| Relief Contrast | N/A |
| Polarized Light | Limitation |
| Fluorescence (B, G Excitation) | Good |
| UV Fluorescence (at 365nm) | Good |
| Multiphoton | N/A |
| TIRF | N/A |
| IR | N/A |
| WLI | N/A |
| Auto Focus | Good |


| Magnification [X] | 20 |
|---|---|
| Numerical aperture (NA) | 0.45 |
| Working distance (WD) [mm] | 3.1 |
| Objective Field Number | 26.5 |
| Immersion medium | Air/Dry |
| Spring loaded | N/A |
| Correction collar | N/A |
| Correction range of correction collar | N/A |
| Iris | N/A |
| Correction level of chromatic aberration |
Semi-apochromat
|
| Parfocalizing distance [mm] | 45 |
| Back focal plane (BFP) position | -8.0 |
| Type of screw thread | W20.32X0.706(RMS) |
| Brightfield(Reflected) | Good |
| Brightfield(Transmitted) | Good |
| Darkfield(Reflected) | N/A |
| Darkfield(Transmitted) | N/A |
| DIC(Reflected) | Good |
| DIC(Transmitted) | N/A |
| Phase Contrast | N/A |
| Relief Contrast | N/A |
| Polarized Light | Limitation |
| Fluorescence (B, G Excitation) | Good |
| UV Fluorescence (at 365nm) | Good |
| Multiphoton | N/A |
| TIRF | N/A |
| IR | N/A |
| WLI | N/A |
| Auto Focus | Good |


| Magnification [X] | 40 |
|---|---|
| Numerical aperture (NA) | 0.75 |
| Working distance (WD) [mm] | 0.63 |
| Objective Field Number | 26.5 |
| Immersion medium | Air/Dry |
| Spring loaded | N/A |
| Correction collar | N/A |
| Correction range of correction collar | N/A |
| Iris | N/A |
| Correction level of chromatic aberration | Semi-apochromat |
| Parfocalizing distance [mm] | 45 |
| Back focal plane (BFP) position | -19.1 |
| Type of screw thread | W20.32X0.706(RMS) |
| Brightfield(Reflected) | Excellent |
| Brightfield(Transmitted) | Excellent |
| Darkfield(Reflected) | N/A |
| Darkfield(Transmitted) | Good |
| DIC(Reflected) | N/A |
| DIC(Transmitted) | Limitation |
| Phase Contrast | N/A |
| Relief Contrast | N/A |
| Polarized Light | Limitation |
| Fluorescence (B, G Excitation) | Limitation |
| UV Fluorescence (at 365nm) | Limitation |
| Multiphoton | N/A |
| TIRF | N/A |
| IR | N/A |
| WLI | N/A |
| Auto Focus | Good |


| Magnification [X] | 50 |
|---|---|
| Numerical aperture (NA) | 0.8 |
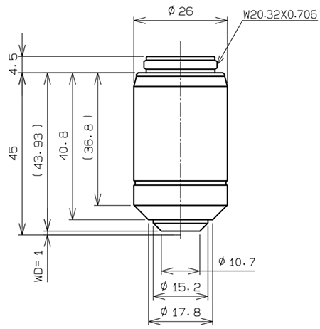
| Working distance (WD) [mm] | 1 |
| Objective Field Number | 26.5 |
| Immersion medium | Air/Dry |
| Spring loaded | N/A |
| Correction collar | N/A |
| Correction range of correction collar | N/A |
| Iris | N/A |
| Correction level of chromatic aberration |
Semi-apochromat
(FL) |
| Parfocalizing distance [mm] | 45 |
| Back focal plane (BFP) position | -8.0 |
| Type of screw thread | W20.32X0.706(RMS) |
| Brightfield(Reflected) | Good |
| Brightfield(Transmitted) | Good |
| Darkfield(Reflected) | N/A |
| Darkfield(Transmitted) | N/A |
| DIC(Reflected) | Good |
| DIC(Transmitted) | N/A |
| Phase Contrast | N/A |
| Relief Contrast | N/A |
| Polarized Light | Limitation |
| Fluorescence (B, G Excitation) | Good |
| UV Fluorescence (at 365nm) | N/A |
| Multiphoton | N/A |
| TIRF | N/A |
| IR | N/A |
| WLI | N/A |
| Auto Focus | Good |


| Magnification [X] | 100 |
|---|---|
| Numerical aperture (NA) | 0.9 |
| Working distance (WD) [mm] | 1 |
| Objective Field Number | 26.5 |
| Immersion medium | Air/Dry |
| Spring loaded | N/A |
| Correction collar | N/A |
| Correction range of correction collar | N/A |
| Iris | N/A |
| Correction level of chromatic aberration |
Semi-apochromat
|
| Parfocalizing distance [mm] | 45 |
| Back focal plane (BFP) position | -8.0 |
| Type of screw thread | W20.32X0.706(RMS) |
| Brightfield(Reflected) | Good |
| Brightfield(Transmitted) | Good |
| Darkfield(Reflected) | N/A |
| Darkfield(Transmitted) | N/A |
| DIC(Reflected) | Good |
| DIC(Transmitted) | N/A |
| Phase Contrast | N/A |
| Relief Contrast | N/A |
| Polarized Light | Limitation |
| Fluorescence (B, G Excitation) | Good |
| UV Fluorescence (at 365nm) | N/A |
| Multiphoton | N/A |
| TIRF | N/A |
| IR | N/A |
| WLI | N/A |
| Auto Focus | Good |


您即将被转换到我们的本地网站。