概述
图像采集与硬件支持软件轻松易用的摄像头控制功能中已经集成了其支持的所有彩色、单色、IR、SWIR摄像头,同时能够记录放大率和校准信息。手动或电动载物台可让您轻松采集到全聚焦的大幅图像。 测量、图像分析和可选的高级成像解决方案软件允许您以互动方式完成多种几何测量,或使用高级图像处理与分析功能。标准的合规测量也可通过材料解决方案工作流程实现。软件为各种材料科学分析提供了多种工具,可使您对结果充满信心。 数据存储和共享数据采用基于Microsoft SQL服务器的客户端服务器技术安全地存储在本地网络内。Secure File Repository套件可进一步增强用户权限控制和数据安全。 文档强效的报告工具可使用Microsoft 365直连数据库。 您可免费体验Stream Enterprise版本30天! 点击“请求演示”,并在第一个框中注明您希望获得一份30天许可。 轻松易用的界面和分步指导实现清晰图像采集的智能技术
高效的重复任务
专为奥林巴斯硬件而设计与奥林巴斯光学显微镜无缝集成
兼容奥林巴斯数码摄像头
专用观察方法
迎接检测挑战高级成像解决方案
金相解决方案
机械加工行业解决方案(汽车/机加工零件行业)
电子行业解决方案(电子元器件/半导体行业)
用于表面涂层和薄膜沉积的解决方案(涂层行业)
|
智能技术
分步指导动态用户界面只会显示您需要使用的工具和功能,从而减少桌面的杂乱和混乱。用户界面会引导您完成流程的每一步,包括图像采集、图像处理和报告创建。软件直观的工具集合让您能够轻松完成简单和复杂的测量。
快速全景和扩展深度聚焦快速创建扩展到标准焦深或视野之外的样品图像。即时景深扩展图像(EFI)功能使用微调焦点调节将不同Z位置下采集的多幅图像组合为一幅完全聚焦的组合图像。即时多重图像对齐(MIA)功能让您仅需移动XY载物台即可轻松创建全景图像;而无需使用电动载物台。
晶体的即时EFI图像:即使在低对比度的样品区域也创建了完全对焦的图像
硬币的即时MIA图像 调用采集设置快速调用之前使用过的摄像头设置,从而在采集可重复图像时保持外观和感受的一致性。使用电动显微镜时,此功能可自动调用之前的硬件设置。如果使用BX、GX或MX系列显微镜,软件会引导您手动调用设置。
自动检测工具软件的自动工具可在几分钟内创建一组庞大的数据。自动放大功能使用经过校准的光栅分划线,有助于确保图像在正确的刻度尺下显示,并确保测量得到确认。大面积区域可由电动XYZ在舞台自动成像,能够为大型部件创建高分辨率图像。
集成电路板(IC)布局的清晰、高对比度MIA图像(20倍物镜下暗视野观察) 重要的定量信息软件工具可为样品提供定量信息。实时和静止图像的互动式测量不仅能够提供基本的尺寸信息(长度、面积和直径),而且可在图像上直接看到结果。 高级互动式测量包括适用于半自动面积测量的魔杖和复杂多边形,而计测解决方案可获取100个以上单个颗粒的参数,支持基于阈值法的定量分析。
高效的报告创建与图像采集和测量相比,创建报告通常需要花费更长的时间。软件支持您利用预先定义的模板重复智能生成复杂的报告。编辑简单易操作,报告可以导出到Microsoft Word、Excel或PowerPoint。此外,软件的报告工具也支持采集图像的数字缩放。报告文件大小适中,更便于通过电子邮件进行数据交换。
总结颗粒计数数据的专业报告 集成数据管理功能Stream Enterprise的数据管理软件可让包含大量数据和多名用户的工作流程高效运行,同时实现了较高的数据安全性。
用户权限:用户权限分为四类:管理员、超级用户、用户和访客。每类用户的权限都可自定义修改,灵活度更高。此外,您可分配各项目或数据记录的访问权限到指定的个人或用户组。用户身份的验证可通过在启动Stream Enterprise时登录SQL,或与现有的活动目录和轻型目录访问协议(LDAP)集成,从而实现单点登录(SSO)。 安全文件存储为了进一步提高数据安全性,Stream Enterprise提供可选的安全文件存储(SFR)套件。作为额外的安全措施,SFR可配合Stream Enterprise来根据用户的访问权限处理文件请求;没有文件打开权限的用户将无法在自己的文件目录中查看这一文件。 整合Stream Enterprise可设置为直接接入现有的订单管理系统,例如LIMS、ERP和CRM系统。为了进一步提高操作灵活性,软件内置有兼容组件对象模型(COM)和开放数据库连接(ODBC)等不同数字通信协议的接口,可轻松接入其他程序。另外软件中也已经增加了应用程序接口(API)功能,支持其他程序调用Stream Enterprise。 现有数据库的访问来自其他数据库的现有记录可导入到Stream Enterprise中,且所有相关数据和元数据都会得到正确组织。您也可不导入,而是使用一些现有的数据源(只读访问)。 | ||||||||||||||||||||||||||||
您的系统
自定义软件包Stream Enterprise数据管理软件专为我们的显微镜开发,是一款强大且易用的测量工具。配合传统显微镜使用时,您无需手动记录UIS2物镜的光学参数。从我们的DSX和LEXT显微镜导入图像时,也不需要校准放大倍率。入门级到高级软件包均可使用该软件。 奥林巴斯Stream软件包
奥林巴斯Stream软件根据功能分为四个软件包—Start、Basic、Essentials和Motion。
与大多数Evident光学显微镜无缝集成控制正置显微镜
控制倒置显微镜
控制半导体显微镜
控制立体显微镜
增强Evident共焦显微镜和数码显微镜的功能在全套DSX系列数码显微镜和LEXT 3D测量激光显微镜的配合下,使用Stream Enterprise数据管理软件(Stream Enterprise桌面版)进行后处理。
支持大多数Evident数码摄像头分辨率和色彩保真度
通过红外(IR)成像显示更多信息
材料科学专用观察方法HDR成像增强对比度高动态范围(HDR)成像改善了困难条件下的图像对比度(同一图像中非常明亮的区域和非常黑暗的区域)。Stream Enterprise数据管理软件支持的所有摄像头都可在此模式下使用,且专用摄像头可使用实时模式。
MIX观察以显示样品的表面结构软件支持MIX观察这种照明技术结合了定向暗场(使用圆形LED在给定时间照亮一个或多个象限)和明场、荧光或偏振,使您能够突出缺陷,并将凸起表面与常规显微镜通常难以看到的凹陷进行区分。MIX观察有助于减少样品的光晕,并有助于显示样品的表面纹理。
| ||||||||||||||||||||||||
解决方案
迎接检测挑战工业实验室通常要求其标准操作程序获得可重复和可再现的结果。Stream Enterprise数据管理软件的工作流程简单而可靠,有利协助了检测、测量和分析工作。软件为各种材料科学分析提供了多种工具,可使您对结果充满信心。
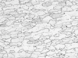
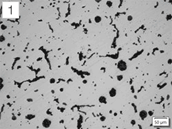
Evident工业显微镜支持冶金分析解决方案 计测解决方案该软件的计测解决方案采用先进的阈值方法,将颗粒和划痕等物体从背景中可靠地区分出来。软件提供了物体测量和分类方面的50多个不同参数,包括形状、大小、位置和像素属性。
晶粒分类结果 高效分析
强大的图像过滤器
TruAI深度学习技术使用依赖于亮度或色彩的传统阈值方法进行图像分割,可能会遗漏样品中的关键信息或目标。Stream Enterprise数据管理TruAI解决方案采用深度学习技术来提供更准确的分割方法,可实现高度可重复和稳定的分析,包括实例分割,即将图像分割成物体的单个实例。
![]() 奥林巴斯Stream/PRECiV中褐煤灰飞灰原始图像(左),使用传统阈值处理方法进行图像分割(右)。 ![]() 奥林巴斯Stream/PRECiV中褐煤灰飞灰原始图像(左),深度学习图像分割(右)。 三维测量和线型轮廓Stream Enterprise数据管理软件的3D解决方案拥有编码和电动Z轴控制与即时EFI功能以及高度映射功能,可用于测量三维样品。
金相解决方案
机械加工行业解决方案(汽车/机加工零件行业)
电子行业解决方案(电子元器件/半导体行业)
用于表面涂层和薄膜沉积的解决方案(涂层行业)
定制工作流程解决方案
适合各种用途的材料解决方案
|
技术参数
主要许可技术规格
*1 需配备DP74摄像头,而且实时HDR功能需要64位操作系统。
特殊解决方案技术规格
*无法使用与图像采集相关的功能。 材料解决方案技术规格
| ||||||||||||||||||||||||||||||||||||||||||||||||||||||||||||||||||||||||||||||||||||||||||||||||||||||||||||||||||||||||||||||||||||||||||||||||||||||||||||||||||||||||||||||||||||||||||||||||||||||||||||||||||||||||||||||||||||||||





























































































