
Our LMPLFLN lens is part of our Plan semi-apochromat series, providing longer working distances for added specimen safety and observation with increased contrast. | ![]() |
| Magnification [X] | 5 |
|---|---|
| Numerical aperture (NA) | 0.13 |
| Working distance (WD) [mm] | 22.5 |
| Objective Field Number | 26.5 |
| Immersion medium | Air/Dry |
| Spring loaded | N/A |
| Correction collar | N/A |
| Correction range of correction collar | N/A |
| Iris | N/A |
| Correction level of chromatic aberration |
Semi-apochromat
|
| Parfocalizing distance [mm] | 45 |
| Back focal plane (BFP) position | -3.0 |
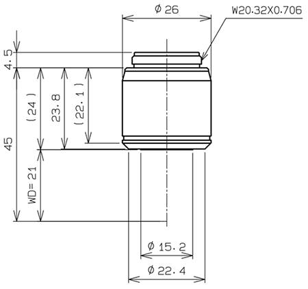
| Type of screw thread | W20.32X0.706(RMS) |
| Brightfield(Reflected) | Good |
| Brightfield(Transmitted) | Good |
| Darkfield(Reflected) | N/A |
| Darkfield(Transmitted) | N/A |
| DIC(Reflected) | Good |
| DIC(Transmitted) | N/A |
| Phase Contrast | N/A |
| Relief Contrast | N/A |
| Polarized Light | Limitation |
| Fluorescence (B, G Excitation) | N/A |
| UV Fluorescence (at 365nm) | N/A |
| Multiphoton | N/A |
| TIRF | N/A |
| IR | N/A |
| WLI | N/A |
| Auto Focus | Good |


| Magnification [X] | 10 |
|---|---|
| Numerical aperture (NA) | 0.25 |
| Working distance (WD) [mm] | 21 |
| Objective Field Number | 26.5 |
| Immersion medium | Air/Dry |
| Spring loaded | N/A |
| Correction collar | N/A |
| Correction range of correction collar | N/A |
| Iris | N/A |
| Correction level of chromatic aberration |
Semi-apochromat
(FL) |
| Parfocalizing distance [mm] | 45 |
| Back focal plane (BFP) position | -3.0 |
| Type of screw thread | W20.32X0.706(RMS) |
| Brightfield(Reflected) | Good |
| Brightfield(Transmitted) | Good |
| Darkfield(Reflected) | N/A |
| Darkfield(Transmitted) | N/A |
| DIC(Reflected) | Good |
| DIC(Transmitted) | N/A |
| Phase Contrast | N/A |
| Relief Contrast | N/A |
| Polarized Light | Limitation |
| Fluorescence (B, G Excitation) | N/A |
| UV Fluorescence (at 365nm) | N/A |
| Multiphoton | N/A |
| TIRF | N/A |
| IR | N/A |
| WLI | N/A |
| Auto Focus | Good |


| Magnification [X] | 20 |
|---|---|
| Numerical aperture (NA) | 0.4 |
| Working distance (WD) [mm] | 12 |
| Objective Field Number | 26.5 |
| Immersion medium | Air/Dry |
| Spring loaded | N/A |
| Correction collar | N/A |
| Correction range of correction collar | N/A |
| Iris | N/A |
| Correction level of chromatic aberration |
Semi-apochromat
(FL) |
| Parfocalizing distance [mm] | 45 |
| Back focal plane (BFP) position | -3.0 |
| Type of screw thread | W20.32X0.706(RMS) |
| Brightfield(Reflected) | Good |
| Brightfield(Transmitted) | Good |
| Darkfield(Reflected) | N/A |
| Darkfield(Transmitted) | N/A |
| DIC(Reflected) | Good |
| DIC(Transmitted) | N/A |
| Phase Contrast | N/A |
| Relief Contrast | N/A |
| Polarized Light | Limitation |
| Fluorescence (B, G Excitation) | N/A |
| UV Fluorescence (at 365nm) | N/A |
| Multiphoton | N/A |
| TIRF | N/A |
| IR | N/A |
| WLI | N/A |
| Auto Focus | Good |


| Magnification [X] | 50 |
|---|---|
| Numerical aperture (NA) | 0.5 |
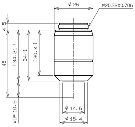
| Working distance (WD) [mm] | 10.6 |
| Objective Field Number | 26.5 |
| Immersion medium | Air/Dry |
| Spring loaded | N/A |
| Correction collar | N/A |
| Correction range of correction collar | N/A |
| Iris | N/A |
| Correction level of chromatic aberration |
Semi-apochromat
(FL) |
| Parfocalizing distance [mm] | 45 |
| Back focal plane (BFP) position | -3.0 |
| Type of screw thread | W20.32X0.706(RMS) |
| Brightfield(Reflected) | Good |
| Brightfield(Transmitted) | Good |
| Darkfield(Reflected) | N/A |
| Darkfield(Transmitted) | N/A |
| DIC(Reflected) | Good |
| DIC(Transmitted) | N/A |
| Phase Contrast | N/A |
| Relief Contrast | N/A |
| Polarized Light | Limitation |
| Fluorescence (B, G Excitation) | N/A |
| UV Fluorescence (at 365nm) | N/A |
| Multiphoton | N/A |
| TIRF | N/A |
| IR | N/A |
| WLI | N/A |
| Auto Focus | Good |


| Magnification [X] | 100 |
|---|---|
| Numerical aperture (NA) | 0.8 |
| Working distance (WD) [mm] | 3.4 |
| Objective Field Number | 26.5 |
| Immersion medium | Air/Dry |
| Spring loaded | N/A |
| Correction collar | N/A |
| Correction range of correction collar | N/A |
| Iris | N/A |
| Correction level of chromatic aberration |
Semi-apochromat
(FL) |
| Parfocalizing distance [mm] | 45 |
| Back focal plane (BFP) position | -3.0 |
| Type of screw thread | W20.32X0.706(RMS) |
| Brightfield(Reflected) | Good |
| Brightfield(Transmitted) | Good |
| Darkfield(Reflected) | N/A |
| Darkfield(Transmitted) | N/A |
| DIC(Reflected) | Good |
| DIC(Transmitted) | N/A |
| Phase Contrast | N/A |
| Relief Contrast | N/A |
| Polarized Light | Limitation |
| Fluorescence (B, G Excitation) | N/A |
| UV Fluorescence (at 365nm) | N/A |
| Multiphoton | N/A |
| TIRF | N/A |
| IR | N/A |
| WLI | N/A |
| Auto Focus | Good |


You are being redirected to our local site.