
Las lentes LCPLFLN-LCD de Olympus son óptimas para observar muestras a través de sustratos de vidrio como los paneles LCD. La adopción de anillos de corrección óptica permite corregir la aberración según el espesor del vidrio. | ![]() |
| Magnificación [X] | 20 |
|---|---|
| Apertura numérica (A. N.) | 0,45 |
| Distancia de trabajo (D. T.) [mm] | 7,40 - 8,30 |
| Número de campo de objetivo | 26,5 |
| Medio de inmersión | Aéreo/Seco |
| Mecanismo protector | N/A |
| Collar de corrección | Sí |
| Rango de corrección del collar de corrección | Vidrio: de 0 a 1,2 mm |
| Iris | N/A |
| Nivel de corrección de aberración cromática |
Semiapocromático
(fluorescencia [FL]) |
| Distancia de parfocalización [mm] | 45 |
| Posición de plano focal posterior (BFP) | -3,0 |
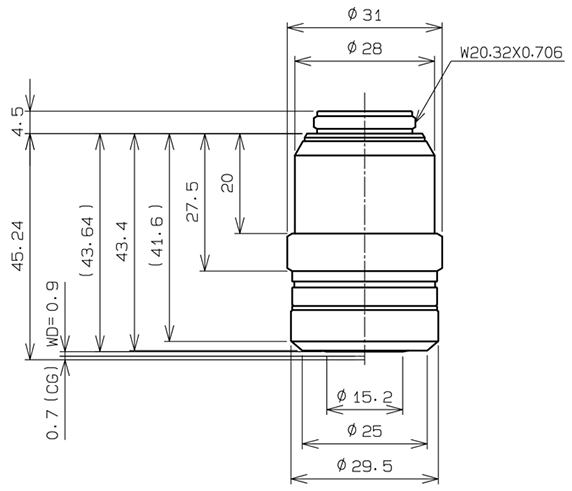
| Tipo de rosca | W20,32X0,706 (RMS) |
| Campo claro (reflejado) | Bueno |
| Campo claro (transmitido) | Bueno |
| Campo oscuro (reflejado) | N/A |
| Campo oscuro (transmitido) | N/A |
| Contraste de interferencia diferencial (DIC) [reflejado] | Limitación |
| Contraste de interferencia diferencial (DIC) [transmitido] | N/A |
| Contraste de fase | N/A |
| Contraste de relieve | N/A |
| Luz polarizada | N/A |
| Fluorescencia (excitación B, G) | N/A |
| Fluorescencia UV (a 365 nm) | N/A |
| Multifotón | N/A |
| TIRF | N/A |
| IR | N/A |
| Interferometría de luz blanca (WLI) | N/A |
| Enfoque automático | N/A |


*Valor de 0,7 mm de espesor de vidrio en observación.
| Magnificación [X] | 50 |
|---|---|
| Apertura numérica (A. N.) | 0,7 |
| Distancia de trabajo (D. T.) [mm] | 2,20 - 3,00 |
| Número de campo de objetivo | 26,5 |
| Medio de inmersión | Aéreo/Seco |
| Mecanismo protector | N/A |
| Collar de corrección | Sí |
| Rango de corrección del collar de corrección | Vidrio: de 0 a 1,2 mm |
| Iris | N/A |
| Nivel de corrección de aberración cromática |
Semiapocromático
|
| Distancia de parfocalización [mm] | 45 |
| Posición de plano focal posterior (BFP) | -3,0 |
| Tipo de rosca | W20,32X0,706 (RMS) |
| Campo claro (reflejado) | Bueno |
| Campo claro (transmitido) | Bueno |
| Campo oscuro (reflejado) | N/A |
| Campo oscuro (transmitido) | N/A |
| Contraste de interferencia diferencial (DIC) [reflejado] | Limitación |
| Contraste de interferencia diferencial (DIC) [transmitido] | N/A |
| Contraste de fase | N/A |
| Contraste de relieve | N/A |
| Luz polarizada | N/A |
| Fluorescencia (excitación B, G) | N/A |
| Fluorescencia UV (a 365 nm) | N/A |
| Multifotón | N/A |
| TIRF | N/A |
| IR | N/A |
| Interferometría de luz blanca (WLI) | N/A |
| Enfoque automático | N/A |


*Valor de 0,7 mm de espesor de vidrio en observación.
| Magnificación [X] | 100 |
|---|---|
| Apertura numérica (A. N.) | 0,85 |
| Distancia de trabajo (D. T.) [mm] | 0,90 - 1,20 |
| Número de campo de objetivo | 26,5 |
| Medio de inmersión | Aire/Estado seco |
| Mecanismo protector | N/A |
| Collar de corrección | Sí |
| Rango de corrección del collar de corrección | Vidrio: de 0 a 0,7 mm |
| Iris | N/A |
| Nivel de corrección de aberración cromática | Semipocromático (fluorescencia [FL]) |
| Distancia de parfocalización [mm] | 45 |
| Posición de plano focal posterior (BFP) | -3,0 |
| Tipo de rosca | W20,32X0,706 (RMS) |
| Campo claro (reflejado) | Correcto |
| Campo claro (transmitido) | Correcto |
| Campo oscuro (reflejado) | N/A |
| Campo oscuro (transmitido) | N/A |
| Contraste de interferencia diferencial (DIC) [reflejado] | Limitación |
| Contraste de interferencia diferencial (DIC) [transmitido] | N/A |
| Contraste de fase | N/A |
| Contraste de relieve | N/A |
| Luz polarizada | N/A |
| Fluorescencia (excitación B, G) | N/A |
| Fluorescencia UV (a 365 nm) | N/A |
| Multifotón | N/A |
| TIRF | N/A |
| IR | N/A |
| Interferometría de luz blanca (WLI) | N/A |
| Enfoque automático | N/A |


*Valor de 0,7 mm de espesor de vidrio en observación.
您即将被转换到我们的本地网站。